Kirjeldus
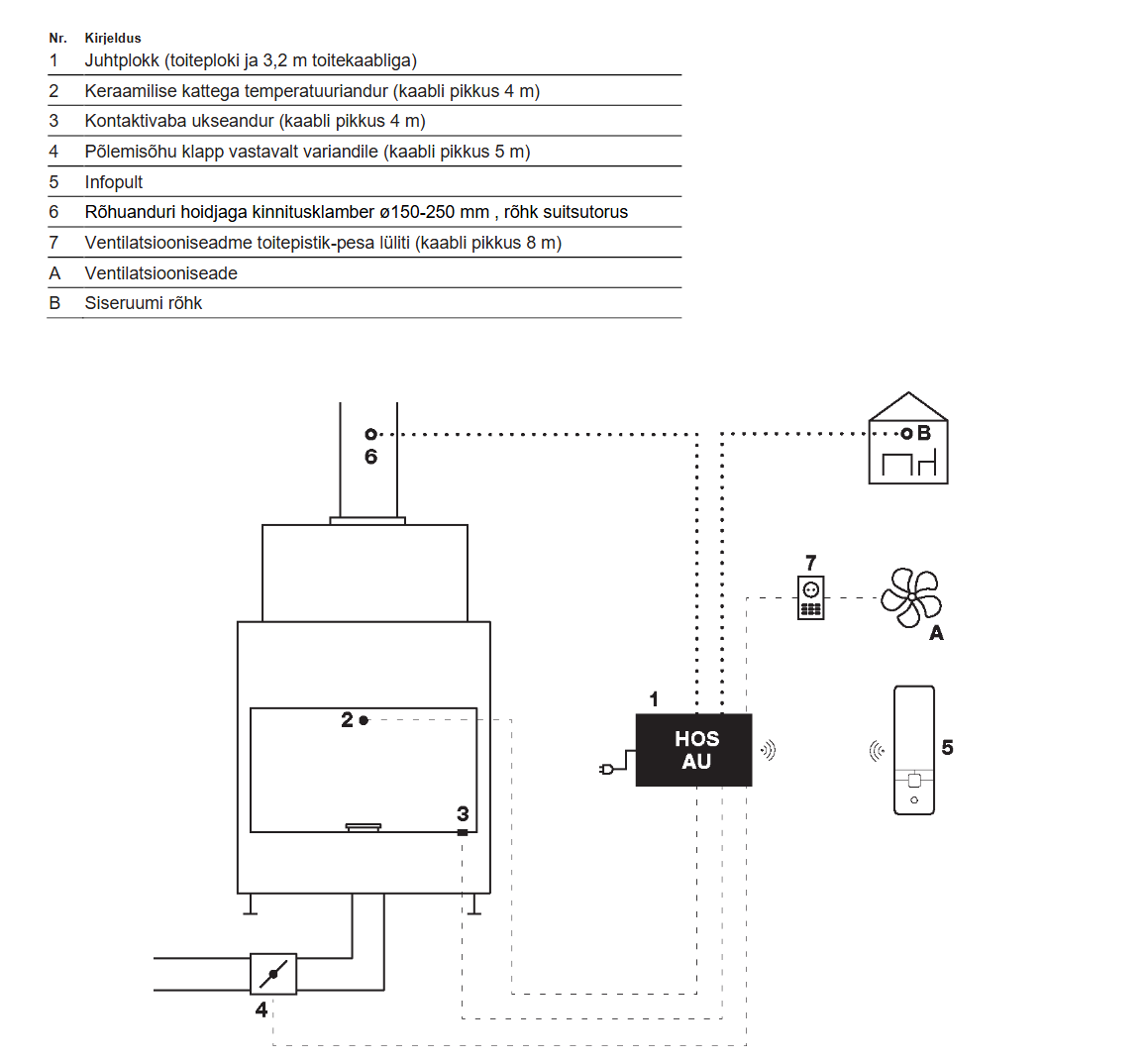
Moodul A kontrollib põlemisprotsessi reguleerides õhuklappi nii, et koldesse pääseva õhu hulk on optimaalne. Ukseandur edastab juhtplokile teavet ukse oleku kohta. Ukse avamisel ja sulgemisel käivitab juhtplokk põlemise juhtimise. Temperatuuriandur mõõdab temperatuuri koldes või suitsutorus ning selle väärtuse põhjal määrab juhtplokk optimaalse õhuhulga tagamiseks õhuklapi asendi. Peale puidu täielikku põlemist suletakse õhu juurdevool nii, et süte faas oleks maksimaalselt pikk. Sel viisil saavutatakse kütusest saadava energia maksimaalne kasutegur. Infopult näitab temperatuuri koldes või suitsutorus, põlemise faasi, põlemise kestvust ja teateid küttesüsteemi oleku koha.
Kütteautomaatika moodul U võimaldab ruumis alarõhku tekitava ventilatsiooniseadme (max 2tk) lühiajaliselt välja lülitada. Suitsugaaside temperatuuriandur aktiveerib korstna ja ruumirõhu alarõhu mõõtmise. Kui nende rõhkude vahe ei ole ohutu, lülitatakse ventilatsiooniseade ajutiselt (10-180s) välja. Kui ohutustähtaeg on möödas ja rõhkude vahe on ohutu, pannakse seade uuesti tööle. Lubatud on ainult kaks järjestikust ventilatsioonisüsteemi välja lülitamist. Kui ventilatsioonisüsteem lülitatakse 24 tunni jooksul välja kolmandat korda, ei kasutata seda uuesti automaatselt. Ventilatsiooniseadme saab uuesti sisse lülitada ainult käsitsi infopuldilt. Infopult näitab ruumi ja suitsutoru rõhu erinevust ja ventilatsiooniseadme olekut.


