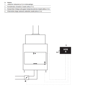
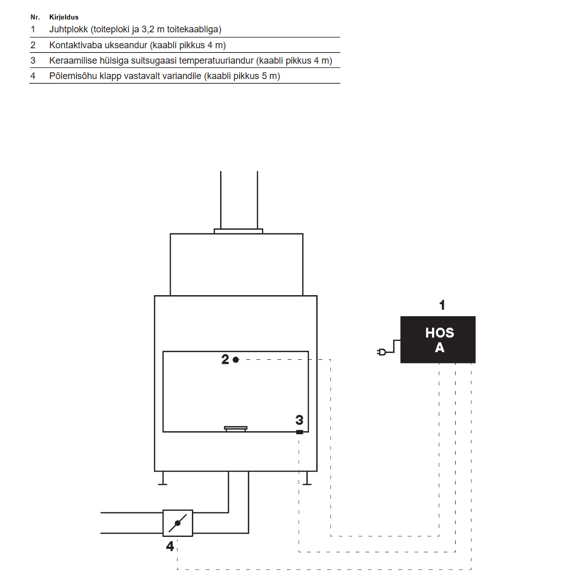
Kirjeldus
Kütteautomaatika moodul A kontrollib põlemisprotsessi reguleerides õhuklappi nii, et koldesse pääseva õhu hulk on optimaalne. Ukseandur edastab juhtplokile teavet ukse oleku kohta. Ukse avamisel ja sulgemisel käivitab juhtplokk põlemise juhtimise. Temperatuuriandur mõõdab temperatuuri koldes või suitsutorus ning selle põhjal määrab juhtplokk optimaalse õhuhulga tagamiseks õhuklapi asendi. Peale puidu täielikku põlemist suletakse õhu juurdevool nii, et süte faas oleks maksimaalselt pikk. Sel viisil saavutatakse kütusest saadava energia maksimaalne kasutegur. Infopult näitab temperatuuri koldes või suitsutorus, põlemise faasi, põlemise kestvust ja teateid küttesüsteemi oleku koha.




